Reverse Engineering

שירות Reverse Engineering מקצועי לחלקי חילוף

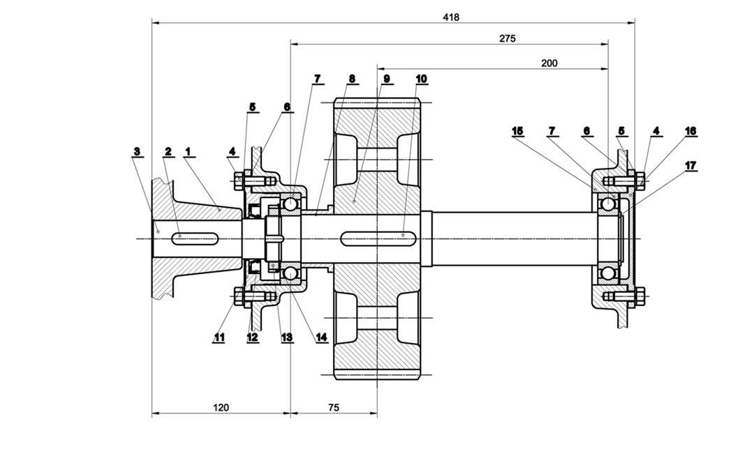
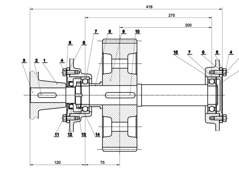
מכונות ותיקות רבות במפעלים עובדות מצוין, עד שחלק קריטי נשבר והיצרן כבר לא קיים. שירות ההנדסה לאחור שלנו מאפשר לקחת את החלק השבור, לסרוק אותו, לייצר מודל ממוחשב מדויק – ואף לשפר את התכנון שלו כדי שיהיה חזק יותר מהמקור. כך אנו מחזירים מכונות לחיים וחוסכים רכש של מכונות חדשות. בעץ ההנדסה אנו מציעים פתרונות מקצועיים ומדויקים לייצור חלקי חילוף באמצעות Reverse Engineering. השירות מאפשר שחזור מלא של חלקים קריטיים, במקרים בהם החלק המקורי אינו זמין או עלויותיו גבוהות במיוחד.

השירות שלנו מתאים במיוחד עבור:

  • מפעלים בעלי ציוד ישן או ייחודי
  • לקוחות שאין ברשותם תיעוד או שרטוטים מקוריים
  • צורך בשחזור מהיר של חלקים קריטיים
  • התאמה ושיפור חלקים קיימים לדגמים חדשים

איך מתבצע התהליך?

  • איסוף החלק: קבלת החלק המקורי או דוגמה לבדיקה וניתוח
  • סריקה ומידול: ביצוע Reverse Engineering מלא באמצעות תוכנת SolidWorks
  • תכנון ושיפורים: התאמות ותיקונים הנדסיים לפי הצורך
  • ייצור מדויק: ייצור מקצועי באמצעות עיבוד שבבי, ריתוך והרכבה במפעל שלנו
  • בקרת איכות קפדנית: בדיקות איכות מקיפות על ידי מהנדס מוסמך
  • אספקה מהירה: שירות מהיר בהתאם לצרכים התפעוליים של הלקוח

יתרונות השירות שלנו:

  • שירות מקצועי ומהיר, ללא תלות ביצרן המקורי
  • ייצור מלא בישראל, תוך הקפדה על איכות וזמינות
  • תיעוד מלא ומסודר של כל חלק, כולל קובצי תלת-ממד ושרטוטים הנדסיים
  • אפשרות לשדרוג ושיפור של העיצוב המקורי
צריכים לשחזר חלק דחוף? צרו איתנו קשר ושלחו לנו תמונה או דוגמה של החלק – נשמח לחזור אליכם במהרה עם פתרון מדויק.

שאלות תשובות

שאלות נפוצות

מהו Reverse Engineering?

Reverse Engineering הוא תהליך הנדסי שבו יוצרים שרטוטים ותיעוד מלאים לחלק או למכונה קיימת, גם כאשר אין תוכניות מקוריות זמינות. התהליך מאפשר לשחזר, לייצר מחדש ואף לשפר את המוצר.

אילו מוצרים או חלקים ניתן לשחזר?

ניתן לשחזר כמעט כל רכיב מכאני – מצירים, גלגלי שיניים ובוכנות, ועד למכלולים מורכבים, מערכות שינוע ומבנים מכאניים ייחודיים.

האם ניתן לשפר חלק קיים תוך כדי שחזור?

כן. לעיתים קרובות אנו ממליצים לשפר את החומר, את טכנולוגיית הייצור או את הגיאומטריה, כדי להאריך את חיי החלק ולהגדיל את אמינותו.

למה נדרש Reverse Engineering במפעלים?

במקרים רבים חלקי חילוף נדירים או מיושנים אינם זמינים בשוק, או שהיצרן המקורי כבר לא פעיל. Reverse Engineering מאפשר להמשיך להפעיל את הציוד הקיים ללא צורך בהחלפה יקרה של מערכת שלמה.

איך מתבצע התהליך בפועל?

התהליך כולל מדידות מדויקות, סריקות תלת־ממד במידת הצורך, יצירת מודלים ב־CAD, הכנת שרטוטים יצרניים ובסוף ייצור ובדיקת התאמה מלאה בשטח.

מה היתרון של Reverse Engineering לעומת רכישת חלק חלופי?

היתרון הוא התאמה מלאה לציוד הקיים, חיסכון בעלויות וזמני אספקה מהירים. בנוסף, הלקוח מקבל שרטוטים ותיעוד מלאים להמשך שימוש עתידי.

הצעת מחיר

השאירו פרטים לקביעת פגישת ייעוץ ללא התחייבות.